English
Español
Português
русский
Français
日本語
Deutsch
tiếng Việt
Italiano
Nederlands
ภาษาไทย
Polski
한국어
Svenska
magyar
Malay
বাংলা ভাষার
Dansk
Suomi
हिन्दी
Pilipino
Türkçe
Gaeilge
العربية
Indonesia
Norsk
تمل
český
ελληνικά
український
Javanese
فارسی
தமிழ்
తెలుగు
नेपाली
Burmese
български
ລາວ
Latine
Қазақша
Euskal
Azərbaycan
Slovenský jazyk
Македонски
Lietuvos
Eesti Keel
Română
Slovenski
मराठी
Srpski језик
Өнім Featurөңдейді
1, DC генерациялау және тұрақты ток сақтау, тиімділік және төмен шығын, ол PV және сақтау қуаты үшін жарамды
жүктеме қуатынан тыс сценарийлерден гөрі;
2, IP65 қорғау, сыртқы пайдаланумен кездесу. Жақын маңдағы MPPT конвергенцияны арттырады, бұл сымдардың алдын алуға көмектеседі
Бірнеше фотоэлектрлік (PV) кабельдерден туындаған шатасулар бір-біріне дейін барлық жүйеге ауысып отырады.
3, 200-900В.
4, көп арналы MPPT, PV панелі көп бұрышпен жиналыңыз
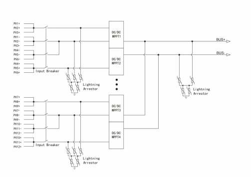
Сым диаграммасы

Техникалық шарғы
| Модельдер | Mpt-8 | MPPT-6 | MPPT-12 | |
| PV-интерфейсі Параметрлер |
Максималды PV массивінің кернеуі | 900 В | ||
| MPPT кернеуі диапазоны | 200В-900V | |||
| МПРТТ кернеуі редукторы | 560V-900V | |||
| Максималды салалық ағым | 24а | 20А | ||
| PV енгізу жолдарының нөмірі | 8 | 6 | 12 | |
| MPPT саны | 8 | 2 | 4 | |
| Бір MPPT | 20А | 55А | ||
| Шығу параметрлері | Кернеу диапазоны | 600-950в | ||
| Номиналды кернеу | Әдепкі 716.8v, реттелетін | |||
| Номиналды шығыс ағымы | 118А | 84а | 168А | |
| Шығу қуаты | 84 кВт | 60 кВт | 120 кВт | |
| Максималды шығару тогы | 192A | 120А | 240А | |
| Жүйелік параметрлер | Eue chiency | 99,4% | ||
| IP деңгейі | IP65 | |||
| Салқындату тұжырымдамасы | Табиғи конвекция | Ауаны мәжбүрлеп салқындату | ||
| Өлшемдер (W * D * H) | 550x530x280mm | 630 × 460 × 260 мм | 630 × 460 × 260 мм | |
| Салмақ | 42 кг | 25 кг | 30 кг | |
| Жұмыс температурасы | -30 ~ 55 ℃ | |||
| Электрмен жабдықтау режимдері | Өзін-өзі басқарады (түнде қуатсыз) | |||
| Байланыс интерфейсі | RS485 | |||

Энергияны сақтау шкафы
Тік энергияны сақтауға арналған литий батареясы
Сөре шкафы энергияны сақтауға арналған литий батареясы
Қабырғаға орнатылатын энергияны сақтауға арналған литий батареясы
Жинақталған энергияны сақтауға арналған литий батареясы
Жоғары вольтты энергияны сақтауға арналған литий батареясы