English
Español
Português
русский
Français
日本語
Deutsch
tiếng Việt
Italiano
Nederlands
ภาษาไทย
Polski
한국어
Svenska
magyar
Malay
বাংলা ভাষার
Dansk
Suomi
हिन्दी
Pilipino
Türkçe
Gaeilge
العربية
Indonesia
Norsk
تمل
český
ελληνικά
український
Javanese
فارسی
தமிழ்
తెలుగు
नेपाली
Burmese
български
ລາວ
Latine
Қазақша
Euskal
Azərbaycan
Slovenský jazyk
Македонски
Lietuvos
Eesti Keel
Română
Slovenski
मराठी
Srpski језик
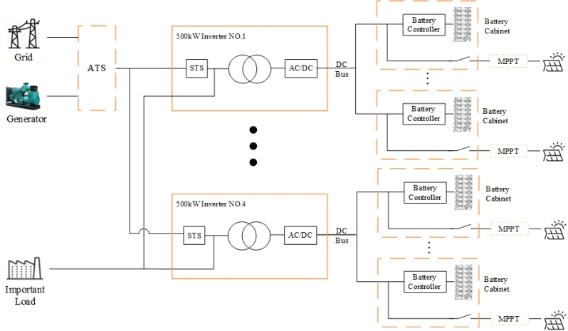
Өнімнің ерекшеліктері
1.500 кВт-тан асатын жүктемелер, 500 кВт бір қондырғы инверторын пайдалану ұсынылады, ол бір параллель қосылыстардың төрт жиынтығына дейін, ATOTAL қосылымдарының 2 МВт-қа қол жеткізуге қабілетті.
2.Мен бірнеше мәртелік 500 кВ жүйелерді параллель және тарататын 500 кВт жүйелері 500 кВт инверторларын таратып, дистрибутивтер, CablLegt компаниясы тордың гидоларының жүктеме галсту нүктесіне сәйкес келетініне көз жеткізу өте маңызды;
3. Гибридті ESTER ENECOVELTAIC интеграциясы, энергияның жоғары тиімділігіне қол жеткізеді және жүктеме сұранысынан асатын PV өндірістік қуаттылығы бар желілік сценарийлер үшін оңтайландырылған; Сыртқы MPPT
Контроллерлер комбинатор мен MPPT функцияларын бір қатталған корпусқа біріктіреді. Толық жүйеде дизель генераторы ATS опциясы, 300 кВт гибридті инвертор, PV MPPT контроллері және батарея бар
Қуатты сақтау жүйесі.


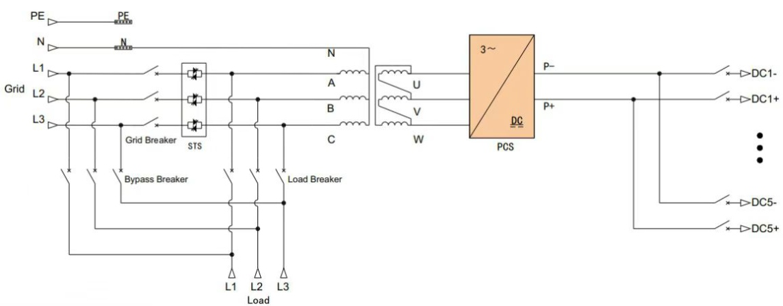
Техникалық шарғы
| Модельдер | P500TS-400-A | |
|
DC-Side параметрлері |
Кернеу диапазоны | 500-950в |
| Максималды ток | 1128а | |
| Шығу қуаты | 500 кВт | |
|
Айнымалы параметрлер (Торға қосылған) |
Максималды шығу қуаты | 550 кВт |
| Номиналды шығыс ағымы | 722а | |
| Thdi | <3% | |
| Тордың түрі | 3w + n + pe | |
| Кернеу диапазоны | 360VAC ~ 440Vac | |
| Жиілік диапазоны | 45 ~ 55гц / 55 ~ 65 гц | |
| Қуат коэффициенті | -1 ~ 1 | |
| Шығу қуаты | 500 кВт | |
|
Айнымалы ток параметрлері (Тордан тыс) |
Номиналды шығару кернеуі | 400 В |
| Номиналды шығыс жиілігі | 50/260 Гц | |
| Мың дюйм | <1% сызықтық жүктеме, <5% сызықты емес жүктеме | |
| Шамадан тыс жүктеме | 110% 10 минут | |
| Техникалық қызмет көрсету | 1250А | |
|
Тордан тыс қосқыш және Конфигурацияны ауыстырыңыз |
Тұрақты тоқыш | 1250А |
| Жүктеме коммутаторы | 1250А | |
| Тор қосқышы | 1250А | |
| Sts қондырғысы | 1155A / 800KW | |
| Коммутация уақыты | <20мс | |
|
Жүйелік параметрлер |
Пезифегершілік | 97,5% |
| Жұмыс температурасы | -30 ~ 55 ℃ (40-тан жоғары сатылым) | |
| Салыстырмалы ылғалдылық | 0-ден 95% RH, конденсацияланбаған | |
| Өлшемдер (l * d * h) | 1600 × 1050 × 2050mm | |
| Салмақ | 2700 кг | |
| IPgrade | IP21 IP21 (толық машина) | |
| Шу | <70DB | |
| Дисплей экраны | СК | |
| BMS байланысы | Консерв қалбыры | |
| EMS байланысы | TCP / IP | |
Энергияны сақтау шкафы
Тік энергияны сақтауға арналған литий батареясы
Сөре шкафы энергияны сақтауға арналған литий батареясы
Қабырғаға орнатылатын энергияны сақтауға арналған литий батареясы
Жинақталған энергияны сақтауға арналған литий батареясы
Жоғары вольтты энергияны сақтауға арналған литий батареясы