English
Español
Português
русский
Français
日本語
Deutsch
tiếng Việt
Italiano
Nederlands
ภาษาไทย
Polski
한국어
Svenska
magyar
Malay
বাংলা ভাষার
Dansk
Suomi
हिन्दी
Pilipino
Türkçe
Gaeilge
العربية
Indonesia
Norsk
تمل
český
ελληνικά
український
Javanese
فارسی
தமிழ்
తెలుగు
नेपाली
Burmese
български
ລາວ
Latine
Қазақша
Euskal
Azərbaycan
Slovenský jazyk
Македонски
Lietuvos
Eesti Keel
Română
Slovenski
मराठी
Srpski језик |
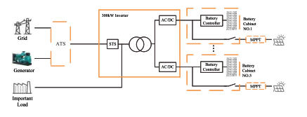
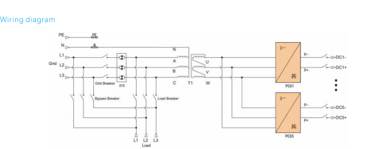
Белгі Жүйе параллель конфигурацияда модульді инвертер қондырғыларын пайдаланады, онда Инвертер модулінің әрбір DC ені берілген батарея корпусына сәйкес келеді, айналым қарқынды токтарды жою үшін кластерді басқаруды қосу Батарея жолдары. Айнымалы ток / тұрақты ток модульдері икемді орналастыруды екі мөлшерде де, 5-блокта 60 кВт модулінің максималды сыйымдылығы бар қуат рейтингі Конфигурация. Қуат модульдерінен айнымалы ток шығысы трансформатор арқылы жеткізіледі оқшауланған шығу кезеңі, жүктеме үшін қуатты берік қарсылықпен қамтамасыз ету Ағымдағы соққы. Гибридті ESS жұмыс істейтін DC-қосалқы фотоэлектрлік интеграцияны қолданады Энергияны конверсиялау тиімділігі және PV-мен бірге бөлінген сценарийлер үшін оңтайландырылған жүктеме сыйымдылығы жүктеме сұранысынан асып кету; Сыртқы MPPT контроллері Біріктіруші және MPPT функцияларын бір қатталған корпусқа біріктіру. Толық жүйеде дизель генераторы, 300 кВ гибридті дизель генераторы бар Инвертер, PV MPPT контроллері және батареяның қуат жинағы жүйесі.
Белгі Жүйе параллель конфигурацияда модульді инвертер қондырғыларын пайдаланады, онда Инвертер модулінің әрбір DC ені берілген батарея корпусына сәйкес келеді, айналым қарқынды токтарды жою үшін кластерді басқаруды қосу Батарея жолдары. Айнымалы ток / тұрақты ток модульдері икемді орналастыруды екі мөлшерде де, 5-блокта 60 кВт модулінің максималды сыйымдылығы бар қуат рейтингі Конфигурация. Қуат модульдерінен айнымалы ток шығысы трансформатор арқылы жеткізіледі оқшауланған шығу кезеңі, жүктеме үшін қуатты берік қарсылықпен қамтамасыз ету Ағымдағы соққы. Гибридті ESS жұмыс істейтін DC-қосалқы фотоэлектрлік интеграцияны қолданады Энергияны конверсиялау тиімділігі және PV-мен бірге бөлінген сценарийлер үшін оңтайландырылған жүктеме сыйымдылығы жүктеме сұранысынан асып кету; Сыртқы MPPT контроллері Біріктіруші және MPPT функцияларын бір қатталған корпусқа біріктіру. Толық жүйеде дизель генераторы, 300 кВ гибридті дизель генераторы бар Инвертер, PV MPPT контроллері және батареяның қуат жинағы жүйесі.
Еректерлер |
|||||
| Модельдер | P200TS-400-A | P250TS-400-A | P300TS-400-A | ||
|
DC-Side параметрлері |
Кернеу диапазоны | 650-950вде | |||
| Бір модульді енгізу қосқышы | 250А | ||||
| DC арналарының саны | 3 | 4 жол | 5 әдіс | ||
|
Айнымалы параметрлер (Торға қосылған) |
Шығу қуаты | 200 кВт | 250 кВт | 300 кВт | |
| Максималды шығу қуаты | 220 кВт | 275 кВт | 330 кВт | ||
| Номиналды шығыс ағымы | 289A | 361А | 433а | ||
| Thdi | <3% | ||||
| Тордың түрі | 3w + n + pe | ||||
| Кернеу диапазоны | 360VAC ~ 440Vac | ||||
| Жиілік диапазоны | 45 ~ 55гц / 55 ~ 65 гц | ||||
| Қуат коэффициенті | -1 ~ 1 | ||||
|
Аралға түсті Айнымалы параметрлер |
Шығу қуаты | 200 кВт | 250 кВт 300 кВт | ||
| Номиналды шығару кернеуі | 400VAC | ||||
| Номиналды шығыс жиілігі | 50/260 Гц | ||||
| Мың дюйм | <1% сызықты, <5% сызықты емес <1% сызықты, <5% сызықты емес | ||||
| Шамадан тыс жүктеме | 10 минут 10 минут ішінде 110% артық жүктеме | ||||
|
Грид-аралдық Ауыстыру және тарату |
Техникалық қызмет көрсету | 400А | 630а | ||
| Тор қосқыштары | 630а | 800А | |||
| Жүктеме қосқыштары | 400А | 630а | |||
| Sts қондырғысы | 577a / 400 кВт | 722A / 500 кВт | |||
| Коммутация уақыты | <20мс | ||||
|
Жүйелік параметрлер |
Ең жоғары тиімділік | 97,5% | |||
| Жұмыс температурасы | -30 ~ 55 ℃ -30 ~ 55 ℃ (40 ℃ жоғарыдан жасалған) | ||||
| Салыстырмалы ылғалдылық | 0 ~ 95% RH, 0 ~ 95% RH, конденсацияланбаған | ||||
| Өлшемдер (l * d * h) | 1300 × 1050 × 2050мм | ||||
| Салмақ | 1400 кг | 1700 кг 1800 кг | |||
| IPgrade | IP21 IP21 (толық жиын) | ||||
| Шу | <70DB | ||||
| Дисплей экраны | LCD сенсорлық-экран | ||||
| BMS байланысы | Консерв қалбыры | ||||
| EMS байланысы | TCP / IP | ||||
Энергияны сақтау шкафы
Тік энергияны сақтауға арналған литий батареясы
Сөре шкафы энергияны сақтауға арналған литий батареясы
Қабырғаға орнатылатын энергияны сақтауға арналған литий батареясы
Жинақталған энергияны сақтауға арналған литий батареясы
Жоғары вольтты энергияны сақтауға арналған литий батареясы